|
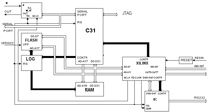
Модуль предназначен для цифровой обработки сигналов в
полосе частот от 0 до 10 кГц. В состав модуля входит сигнальный процессор
с плавающей точкой TMS320C31 с внешним статическим ОЗУ (TI), АЦП/ЦАП TLC320C4X
(TI), FPGA логика (Xilinx) для построения интерфейса с внешним окружением
и формированием взаимодействия элементов модуля, микроконтроллер TMS370C710
(TI) для реализации протокола объема данными с внешними устройствами.

-
устройства телекоммуникаций (модемы, вокодеры, эхокомпенсаторы и
т.д.)
-
системы сбора и обработки сигналов звукового диапазона частот
-
спектральный анализ сигналов
-
независимое управление частотами дискретизации АЦП и ЦАП (что может
быть использовано для построения ФАПЧ по внешним сигналам)
-
возможность изменения внешнего цифрового интерфейса путем перепрограммировани
FPGA логики (Xilinx) и MC (TMS370C710)
-
диапазон частот входных сигналов: до 10 кГц
-
уровень входного сигнала: до 3В
-
разрядность АЦП/ЦАП: 14
-
частота дискретизации (программируется): от 0 до 26 кГц
-
производительность процессора: до 30 MIPS
-
объем внешнего ОЗУ и ПЗУ (FLASH): до 512кбайт
-
питание: 5В(потребление 2,5Вт)
-
габариты 120 х 100
По вопросам приобретения библиотек, исходных текстов программ или реализаций
готовых устройств на основе малогабаритных DSP модулей обращайтесь по
e-mail:
Подробная контактная информация представлена в разделе "О Центре"
|